Fingerstock Clip-on Mounting
Series No. 5240
Clip-on Mounting provides a reliable mechanical installation when there is a mounting flange. Various flange thicknesses can be accommodated, and lances can be incorporated to enhance the holding force to the flange.
Standard Products
5240-01D70-BC | PERPENDICULAR CONTACT
5240-02D40-XX* | LOW PROFILE
| Compression Force Options | 25% Compression (0.045″) | 50% Compression (0.030″) |
| Standard Style | 15 lbs/ft | 83 lbs/ft |
| TF Style (Low Compression) | 6.6 lbs/ft | 30 lbs/ft |
Legend
*Replace XX with:
SS for Stainless Steel
BC for Beryllium Copper
*Add TF for low compression force style at the end of part #
Note: Optional lance available as shown.
5240-07L09-BC-YYY* | CYLINDRICAL RADIUS
| Compression Force Options | 25% Compression (0.075″) | 50% Compression (0.050″) |
| Standard Style | 14 lbs/ft | 49 lbs/ft |
| TF Style (Low Compression) | 4.5 lbs/ft | 22 lbs/ft |
Legend
Only available in Beryllium Copper
*Add TF for low compression force style at the end of part #
*Replace YYY with:
040 050 060 070
Note: Non-standard lance location(s).
5240-09C03-BC-YYY* | CYLINDRICAL RADIUS
| Compression Force Options | 25% Compression (0.105″) | 50% Compression (0.070″) |
| Standard Style | 18 lbs/ft* | N/A* |
* Consult factory for performance data.
5240-10C70-BC | CYLINDRICAL RADIUS
| Compression Force Options | 25% Compression (0.120″) | 50% Compression (0.080″) |
| Standard Style | 11 lbs/ft | 69 lbs/ft |
| TF Style (Low Compression) | 6.9 lbs/ft | 21 lbs/ft |
Legend
Only available in Beryllium Copper
*Add TF for low compression force style at the end of part #
5240-11L80-BC-YYY* | CYLINDRICAL RADIUS
| Compression Force Options | 25% Compression (0.158″) | 50% Compression (0.105″) |
| Standard Style | 3.5 lbs/ft | 16 lbs/ft |
Legend
Only available in Beryllium Copper
*Add TF for low compression force style at the end of part #
*Replace YYY with:
050 070
Note: Non-standard lance location(s)
5240-12E90-BC-YYY* | STRIP GASKETS
| Compression Force Options | 25% Compression (0.195″) | 50% Compression (0.130″) |
| Standard Style | 17 lbs/ft | 43 lbs/ft |
Legend
Only available in Beryllium Copper
*Add TF for low compression force style at the end of part #
*Replace YYY with:
100 135
5240-14D27-BC | REVERSE BEND CONTACTS
| Compression Force Options | 25% Compression (0.203″) | 50% Compression (0.135″) |
| Standard Style | 5 lbs/ft | 15 lbs/ft |
Legend
Only available in Beryllium Copper
Note: Non-standard lance location(s). Also available in 25 ft. rolls.
Scores for break off between 1/2″ increments optional.
5240-17T16-BC-YYY* | TWISTED CONTACTS
| Compression Force Options | 25% Compression (0.053″) | 50% Compression (0.035″) |
| Standard Style | 10 lbs/ft | 22 lbs/ft |
5240-18T95-BC-YYY* | TWISTED CONTACTS
| Compression Force Options | 25% Compression (0.023″) | 50% Compression (0.015″) |
| Standard Style | 32 lbs/ft | 48 lbs/ft |
Legend
Only available in Beryllium Copper
*Replace YYY with:
030 040 050 060 070
Note: Optional lance available as shown.
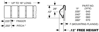
5240-19D42-BC-YYY* | NO-SNAG FINGERS
| Compression Force Options | 25% Compression (0.090″) | 50% Compression (0.060″) |
| Standard Style | 29 lbs/ft | 69 lbs/ft |
| TF Style (Low Compression) | 15 lbs/ft | 35 lbs/ft |
Legend
Only vailable in Beryllium Copper
*Add TF for low compression force style at the end of part #
*Replace YYY with:
040 050 060 070
* Note: Also available in .125″ Pitch.
5240-20E70-BC | SOFT NO-SNAG FINGERS
| Compression Force Options | 25% Compression (0.165″) | 50% Compression (0.110″) |
| Standard Style | 18 lbs/ft | 36 lbs/ft |














